product center
十、安装、使用与维修说明
10.1搬运和安装
10.1.1搬运时应以泵底座为起重着力部位,避免震动、撞击。
10.1.2安装整套泵的基础必须牢固,有足够的强度,基础表面非常平坦,允许公差±1mm,地脚螺栓采用二次灌浆,因此在安装基础上要预留适当的凹槽和孔眼,二次灌浆前可用垫铁调整机组水平,其水平允差0.2/1000 mm。
10.1.3机组在运输安装过程中,可能会造成螺栓松动和相对位移,故机组落位后要重新进行校正一次,将电机和泵头重新调整,联轴器间应保证同心:检查联轴器间的端面间隙,外圆同心度可用直尺或其他仪表进行检查,测量联轴器的上下左右的错位不得超过0.15㎜,两联轴器端面间隙一周上最大和最小的间隙差别不超过0.15㎜,调整完毕后,再将泵和电机的地脚螺栓拧紧,并检查所有联接螺栓是否有松动现象。
10.1.4泵进口应低于液源面,并尽量靠近液源。当泵的安装位置高于液面(在泵的吸程允许范围内)时,应在吸入管端部装上底阀,并在排出管路上设置灌液螺孔或阀门,供启动前灌泵使用。
10.1.5泵的吸入管路和压出管路应有各自的支架,进出口须安装弹性接管,不允许管路的重量直接由泵来承受,以免把泵压坏。
10.1.6管路的进口直径不应小于泵进口直径,管路的出口直径不应大于泵出口直径,进口管路应水平无拱曲,确保灌液时空气排净。
10.1.7在安装时,切勿使螺钉、螺母、垫圈、焊渣等杂物落在管路或泵内,以免发生故障。
10.2安装与使用:
10.2.1启动
a.泵出口应安装一段直管,严禁直接安装弯管;并安置流量调节阀,停车前应处于关闭状态,开车以后应及时打开阀门。
b.首次开车要注意转向,从电机向泵壳,转向为顺时针旋转,严禁反转。当检查电机转向时,切勿联接联轴器,否则要损坏叶轮,须确认转向正确无误后再联接联轴器。
c.开车前,给泵的轴承座内注入润滑油,至油标的水平中心位置,以免轴承过热。泵运转时注意轴承座定期加油,润滑油宜选用N46号机械油。第一次换油300小时,以后每3000小时更换一次。
d.用手盘动联轴器,检查主、电联同心度偏差小于0.3㎜,应感觉轻松且轻重均匀,并注意泵内有无磨擦声和异物滚动等杂音。如有,应设法排除,并将联轴器的防护罩安装好。
e.打开进口阀,使输送液充满泵内。如泵的安装位置高于液面,启动前要灌泵或抽真空,使泵内和吸入管内充满液体,排净空气。
f.轴封有冷却水装置的泵,开车前先接通冷却水,启动电动机使泵运转,同时开启出口阀。泵正常运转时可继续接通,若条件不允许也可停掉,冷却水的流量和压力都没有要求,自来水即可。
10.2.2运转
a.要经常检查泵和电动机的温升情况,轴承的温升不应大于50℃,其极限温度不应大于80℃。
b.注意轴承座内油位的变化,经常控制在规定范围内,为保持油的清洁和良好的润滑,应定期更换润滑油。
c.在运转过程中,发现有不正常的声音或其它故障时,应立即停泵检查,待排除故障后才能继续运转。
d.绝不允许用吸入管路上的阀门来调节流量,以免产生汽蚀。
e.当泵的装置扬程小于泵的额定扬程时,必须关小出口阀门,使流量达到额定值,若出口阀门全开,则流量会大于额定值,电机可能会超功率,并且影响泵的使用寿命。
f.泵在关闭出口阀门时的运行称为闭压运行状态,全塑泵或衬塑泵的闭压运行时间应尽可能减短,常温介质以不超过5分钟为限,高温介质最好不要超过2分钟。
10.2.3停泵
a.关闭出口阀,再停止电动机运转。
b.关闭进口阀。
c.停止供应轴封处的冷却水。
d.当环境温度低于0℃时,停泵后应放净泵内液体,以防冰冻;当输送快速凝固的液体或易沉淀的砂浆时,停泵后也应将泵内液体放净,以免下次启动时发生故障。
f.输送易结晶、凝固、沉淀等介质,停泵后,应防止堵塞,及时用清水或其它介质冲洗泵和管道,是须将密封腔冲洗干净。
10.3使用机械密封注意事项
10.3.1机械密封适用于清洁的、无悬浮颗粒的介质。对新安装的管路系统和储液罐应认真冲洗干净,严防固体杂质进入机械密封端面而使密封失效。
10.3.2拆卸机械密封时应仔细,不允许用手锤、铁器等敲击,以免破坏动、静环密封面。安装时应检查所有密封元件有无损坏,如有,应修复或更换。
10.3.3装配中要注意消除偏差,紧固螺钉时应均匀紧固,避免发生偏斜,使密封失效。
10.3.4正确调整弹簧的压缩量,以轴封处不泄漏为宜。切勿弹簧压缩量过大,以免动、静环烧损。
10.4拆卸与组装
10.4.1拆卸
a.拆下泵体上的放液孔压板,排净泵内液体。
b.拆下进口接管。
c.拆下泵体。
d.固定联轴器,按运转方向的反向转动叶轮将其拆下。
e.填料密封结构,可先将泵盖连同轴套从轴上取下,然后取下轴套,再顺次拆下压盖,填料和填料环等。
f.机械密封结构,可先泵盖连同机械密封静环、静环压盖等取下,然后拆下静环压盖,取出静环;再将轴套连同机械密封组件从轴上取下,再将机械密封和轴套拆开。
g.动力密封结构,可先利用拆卸螺孔将轴封箱与泵盖分开,依次拆下泵盖和付叶轮,然后取下轴套,再顺次拆下压盖、油封和填料环等。
h.排净润滑油,拆下轴承座,松开轴承前后侧盖的联接螺栓,将轴承后侧盖、后轴承及主轴一起取出,再拆下前轴承。
10.4.2组装
a.将零部件清洗、擦净,如有开裂、磨损、硬化变形,则应更换新的。
b.按泵拆卸的相反顺序进行组装。
c.泵体与轴承座的联接螺栓不宜拧得太紧,应使其均匀受力,以不泄漏为宜。
d.调整间隙。
10.5可能发生的故障及消除方法
| 故障 | 原因 | 消除方法 |
| 打不出液体 | 1、电机转向不对 | 1、更换转向 |
| 2、泵内或吸入管内留有空气 | 2、重新灌液,排除空气 | |
| 3、吸上扬程过高或灌注不足 | 3、降低泵位,增加进口处压力 | |
| 4、吸入管路过小或有杂物阻塞 | 4、加大吸入管径,清除堵塞物 | |
| 5、吸入管浸入深度不够或漏气 | 5、增大浸入深度或检修管路 | |
| 流量不足 | 1、叶轮腐蚀严重 | 1、更换叶轮 |
| 2、转速不足 | 2、提高转速 | |
| 3、叶轮与泵体间隙过大 | 3、重新调整间隙 | |
| 4、压出口部分堵塞 | 4、清除淤塞部分 | |
| 扬程不足 | 1、输送的液体中含有气体 | 1、降低液体温度排除气体 |
| 2、叶轮腐蚀严重 | 2、更换叶轮 | |
| 3、转速不足 | 3、提高转速 | |
| 功率过载 | 1、流量超过使用范围 | 1、按泵的使用范围进行运转 |
| 2、介质比重过大 | 2、更换较大功率电机 | |
| 3、产生机械磨擦 | 3、检查磨擦处,调整或更换磨损零件 | |
| 轴承发热 | 1、泵轴与电机轴不同心 | 1、调整同心 |
| 2、轴承座内缺油或油变质 | 2、加油或换油 | |
| 杂音或振动 | 1、泵轴与电机轴不同心 | 1、调整同心 |
| 2、输送的液体中含有气体 | 2、降低液体温度排除气体 | |
| 3、转子不平衡 | 3、更换零件 | |
| 4、螺母有松动现象 | 4、拧紧各部位螺母 | |
| 5、压出口部分堵塞 | 5、清除淤塞部分 | |
| 6、轴承损坏 | 6、更换轴承 |
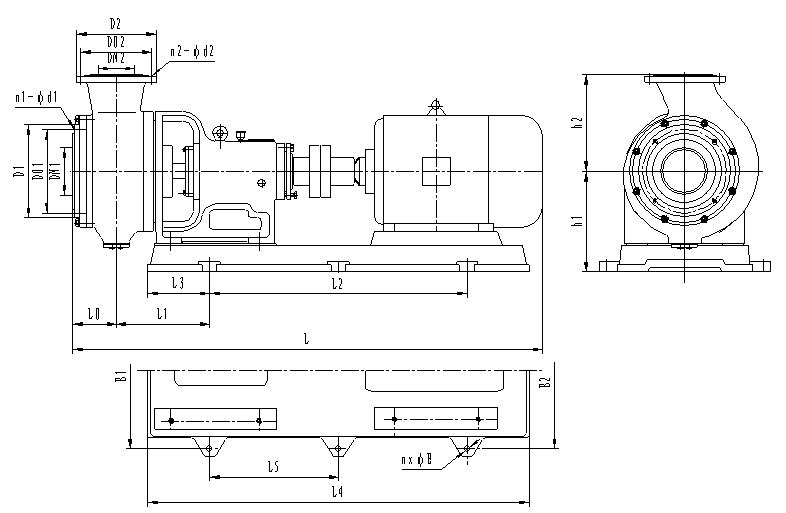
十一、泵外形及安装尺寸

安装 外形尺寸表
|
型 号 |
功率 (kW) |
配带 电机 |
安 装 外 形 尺 寸 |
|||||||||||||||||||
|
L |
L0 |
L1 |
L2 |
L3 |
L4 |
B1 |
B2 |
h1 |
h2 |
L5 |
DN1 |
D01 |
D1 |
n1-φd1 |
DN2 |
D02 |
D2 |
n2-φd2 |
n-φE |
|||
|
HTB50-32-125 |
2.2 |
Y90L-2 |
830 |
80 |
160 |
460 |
100 |
660 |
300 |
300 |
220 |
145 |
0 |
50 |
125 |
160 |
4-M16 |
32 |
100 |
135 |
4-M16 |
4-φ20 |
|
3 |
Y100L-2 |
875 |
||||||||||||||||||||
|
HTB50-32-160 |
4 |
Y112M-2 |
995 |
90 |
240 |
455 |
180 |
815 |
354 |
354 |
265 |
170 |
0 |
50 |
125 |
160 |
4-M16 |
32 |
110 |
145 |
4-M16 |
4-φ20 |
|
5.5 |
Y132S1-2 |
1070 |
||||||||||||||||||||
|
HTB65-50-160 |
5.5 |
Y132S1-2 |
1070 |
90 |
240 |
455 |
180 |
815 |
354 |
354 |
265 |
180 |
0 |
65 |
145 |
180 |
4-M16 |
50 |
125 |
160 |
4-M16 |
4-φ20 |
|
7.5 |
Y132S2-2 |
|||||||||||||||||||||
|
HTB80-65-160 |
11 |
Y160M1-2 |
1205 |
100 |
250 |
520 |
180 |
880 |
390 |
390 |
265 |
180 |
0 |
80 |
160 |
195 |
4-M16 |
65 |
145 |
180 |
4-M16 |
4-φ20 |
|
15 |
Y160M2-2 |
|||||||||||||||||||||
|
HTB50-32-200 |
7.5 |
Y132S2-2 |
1201 |
94 |
253 |
600 |
180 |
975 |
400 |
355 |
290 |
190 |
0 |
50 |
145 |
180 |
4-M16 |
32 |
125 |
160 |
4-M16 |
4-φ20 |
|
HTB65-40-200 |
15 |
Y160M2-2 |
1341 |
96 |
350 |
640 |
230 |
1100 |
400 |
400 |
290 |
210 |
0 |
65 |
160 |
195 |
4-M16 |
40 |
125 |
160 |
4-M16 |
4-φ20 |
|
18.5 |
Y160L-2 |
1386 |
||||||||||||||||||||
|
HTB80-50-200 |
22 |
Y180M-2 |
1415 |
100 |
247 |
755 |
185 |
1125 |
460 |
460 |
300 |
220 |
0 |
80 |
160 |
195 |
4-M16 |
50 |
145 |
180 |
4-M16 |
4-φ20 |
|
HTB50-32-250 |
18.5 |
Y160L-2 |
1386 |
96 |
285 |
780 |
180 |
1120 |
460 |
460 |
310 |
225 |
0 |
50 |
145 |
180 |
4-M16 |
32 |
125 |
160 |
4-M16 |
4-φ20 |
|
HTB80-50-315 |
11 |
Y160M-4 |
1748 |
300 |
365 |
870 |
250 |
1370 |
610 |
610 |
420 |
450 |
0 |
80 |
160 |
195 |
8-φ18 |
50 |
125 |
160 |
4-φ18 |
4-φ26 |
|
HTB125-100-315 |
22 |
Y180L-4 |
1710 |
150 |
350 |
870 |
250 |
1370 |
610 |
610 |
420 |
355 |
0 |
125 |
240 |
280 |
8-M20 |
100 |
240 |
280 |
8-M20 |
4-φ26 |
|
30 |
Y200L-4 |
1775 |
||||||||||||||||||||
|
HTB150-125-315 |
37 |
Y225S-4 |
1835 |
160 |
388 |
905 |
260 |
1425 |
610 |
610 |
420 |
365 |
0 |
150 |
270 |
310 |
8-M20 |
125 |
240 |
280 |
8-M20 |
4-φ26 |
|
45 |
Y225M-4 |
1860 |
||||||||||||||||||||
|
HTB200-150-315 |
55 |
Y250M-4 |
1965 |
179 |
414 |
990 |
280 |
1550 |
655 |
655 |
420 |
400 |
0 |
200 |
350 |
390 |
8-M20 |
150 |
295 |
335 |
8-M20 |
4-φ26 |
|
HTB200-150-380 |
75 |
Y280S-4 |
2010 |
160 |
180 |
1200 |
300 |
1830 |
670 |
670 |
475 |
450 |
600 |
200 |
310 |
360 |
12-M20 |
150 |
250 |
300 |
8-M20 |
6-φ20 |
|
HTB100-80-350 |
18.5 |
Y160L-4 |
1755 |
282 |
361 |
870 |
250 |
1370 |
610 |
610 |
420 |
492 |
0 |
100 |
180 |
220 |
8-φ18 |
80 |
160 |
200 |
4-φ18 |
4-φ26 |
|
HTB125-100-400 |
45 |
Y225M-4 |
1891 |
163 |
212 |
1050 |
360 |
1755 |
690 |
610 |
485 |
420 |
0 |
125 |
240 |
280 |
8-M20 |
100 |
240 |
280 |
8-M20 |
4-φ26 |
|
55 |
Y250M-4 |
1936 |
163 |
197 |
1090 |
360 |
1812 |
690 |
690 |
|||||||||||||
|
75 |
Y280S-4 |
2001 |
163 |
168 |
1200 |
300 |
1830 |
670 |
670 |
475 |
420 |
600 |
6-φ20 |
|||||||||
|
HTB150-125-400 |
55 |
Y250M-4 |
1983 |
170 |
197 |
1090 |
360 |
1812 |
690 |
690 |
485 |
420 |
0 |
150 |
270 |
310 |
8-M20 |
125 |
240 |
280 |
8-M20 |
4-φ26 |
|
75 |
Y280S-4 |
2053 |
170 |
180 |
1200 |
300 |
1830 |
670 |
670 |
475 |
420 |
600 |
150 |
270 |
310 |
8-M20 |
125 |
240 |
280 |
8-M20 |
6-φ20 |
|
|
HTB200-150-400 |
110 |
Y315S-4 |
2630 |
200 |
125 |
1800 |
300 |
2400 |
850 |
850 |
560 |
450 |
900 |
200 |
350 |
390 |
12-M20 |
150 |
295 |
335 |
8-M20 |
6-φ28 |
|
HTB250-200-400 |
132 |
Y315M-4 |
2705 |
200 |
125 |
1800 |
300 |
2400 |
850 |
850 |
560 |
450 |
900 |
250 |
350 |
390 |
12-M20 |
200 |
295 |
335 |
8-M20 |
6-φ28 |
|
HTB300-250-400 |
160 |
Y315L1-4 |
2877 |
350 |
57 |
1900 |
300 |
2500 |
850 |
850 |
580 |
580 |
950 |
300 |
460 |
500 |
12-M20 |
250 |
400 |
440 |
12-M20 |
6-φ35 |
|
型 号 |
功率 (kW) |
配带 电机 |
安 装 外 形 尺 寸 |
|||||||||||||||||||
|
L |
L0 |
L1 |
L2 |
L3 |
L4 |
B1 |
B2 |
h1 |
h2 |
L5 |
DN1 |
D01 |
D1 |
n1-φd1 |
DN2 |
D02 |
D2 |
n2-φd2 |
n-φE |
|||
|
HTB300-250-580 |
250 |
Y355M-4 |
3120 |
355 |
271 |
1650 |
450 |
2580 |
850 |
850 |
620 |
580 |
825 |
300 |
460 |
500 |
12-M20 |
250 |
400 |
440 |
12-M20 |
6-φ35 |
|
HTB300-250-600 |
315 |
Y355L-4 |
3250 |
350 |
270 |
1650 |
450 |
2580 |
850 |
850 |
620 |
650 |
825 |
300 |
460 |
500 |
12-M20 |
250 |
400 |
440 |
12-M20 |
6-φ35 |
|
355 |
YKK4003-4 |
3537 |
350 |
270 |
2200 |
450 |
3225 |
850 |
970 |
620 |
650 |
1100 |
300 |
460 |
500 |
12-M20 |
250 |
400 |
440 |
12-M20 |
6-φ35 |
|
|
HTB350-350-450 |
132 |
Y315L2-6 |
2900 |
350 |
80.5 |
1900 |
300 |
2500 |
850 |
850 |
670 |
650 |
950 |
350 |
515 |
565 |
16-M20 |
350 |
515 |
565 |
16-M20 |
6-φ35 |


