一、产品简介
HTB-ZK-M系列慢转速工程塑料泵,属单级单吸悬架式离心泵,是在吸收我公司HTB系列卧式泵技术的基础上,结合国内外离心泵结构的优点精心设计而成,并使用了夹套式结构。
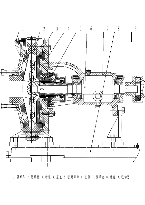
该泵与HTB系列卧式泵相比,它有诸多优点:该泵由于采用低转速,使泵的叶轮和泵体更耐磨、更耐用,使用寿命更长,泵的运行更平稳、噪音更低;并且,由于泵体采用夹套式结构,泵体磨损后,只需更换塑泵体,从而节省了维修费用;该泵同时采用了我公司新研发的Y4型集装式硬对硬机械密封,这种密封不仅密封更可靠、寿命更长,而且,由于它采用了集装密闭式冷却结构,所以,运行时不会象普通机封那样产生酸雾,保护了环境不受腐蚀。
该泵的过流部件采用改性超高分子聚乙烯模压制造,该材质是目前国际上新一代的泵用耐腐耐磨工程材料,其突出的优点是在所有的塑料中它具有优异的耐磨性、耐冲击性(尤其是耐低温冲击)、抗蠕变性(耐环境应力开裂)和非常的耐腐蚀性。
因此,该泵尤其适用在有颗粒腐蚀性介质的工作岗位上。
二、使用范围
该泵主要应用于各类化工、有色冶炼(金、银、铜、铝、锌、钴、镍等行业)、黑色金属(钢铁酸洗、锰业)、化纤、钛白、稀土、稀有金属、农药、磷复肥、柠檬酸、无机盐、造纸、脱硫环保、污水处理等行业。
三、型号说明

四、结构型式 
五、详细参数
|
参数 \ 型号 |
叶轮规格 | 额定转速1450转/分 | 汽蚀 余量 (m) |
重量 (kg) |
|||
| 流量Q (m3/h) |
扬程H (m) |
电机功率N 介质比重 (Kw) |
效率η % |
||||
| HTB-ZK40-5/5M-U | 标准 | 4 | 5.5 | 1.1 | 30 | 2.4 | 60 |
| 5 | 5 | ||||||
| 6 | 4 | ||||||
| HTB-ZK50-10/7.5M-U | 标准 | 5 | 8 | 1.5 | 38 | 2.5 |
110 |
| 10 | 7.5 | ||||||
| 12.5 | 7 | ||||||
| HTB-ZK50-12.5/20M-U | 标准 | 9.5 | 21.3 | 3 | 28 | 2.8 | 120 |
| 12.5 | 20 | 33 | |||||
| 16 | 19 | 34.5 | |||||
| HTB-ZK65-20/30M-U | 标准 | 12.5 | 32 | 7.5 | 20 | 3 | 250 |
| 20 | 30 | 25 | |||||
| HTB-ZK80-25/32M-U | 标准 | 25 | 32 | 11 | 34 | 3 | 300 |
| 30 | 30 | 38 | |||||
| 35 | 30 | 40 | |||||
| 40 | 30 | 42 | |||||
| HTB-ZK80-45/32M-U | 标准 | 40 | 35 | 15 | 40 | 3 | 330 |
| 45 | 32 | 42 | |||||
| 50 | 30 | 45 | |||||
| HTB-ZK65-13/45M-U | 标准 | 20 | 40 | 15 | 20 | 3 | 457 |
| 13 | 45 | 18 | |||||
| HTB-ZK65-15/55M-U | 标准 | 15 | 55 | 18.5 | 18 | 3 | 470 |
| 20 | 50 | 24 | |||||
| HTB-ZK65-30/55M-U | 标准 | 30 | 55 | 22 | 29 | 3 | 490 |
| HTB-ZK80-50/50M-U | 标准 | 50 | 50 | 22 | 37 | 3 | 490 |
| HTB-ZK125-100/50M-U | 标准 | 100 | 50 | 37 | 50 | 5.5 | |
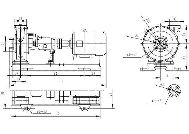
六、泵外形及安装尺寸

安装外形尺寸表
| 型号 | 功率 (KW) |
配带电机 | 安装外形尺寸 | ||||||||||||||||||||
| d1 | d2 | D01 | D02 | D1 | D2 | B1 | B2 | n1-s1 | n2-s2 | n3-s3 | E | h1 | h2 | L0 | L1 | L2 | L3 | L4 | L5 | L | |||
| ZK65-20/30M-U | 7.5 | Y132M-4 | 65 | 50 | 160 | 125 | 200 | 160 | 460 | 460 | 4-M16 | 4-M12 | 4-φ23 | 174.5 | 345 | 240 | 106 | 75 | 755 | 205 | 195 | 1155 | 1188 |
| ZK80-25/32M-U | 11 | Y160M-4 | 80 | 50 | 160 | 125 | 200 | 160 | 460 | 460 | 4-M16 | 4-M12 | 4-φ23 | 174.5 | 345 | 240 | 106 | 75 | 755 | 205 | 195 | 1155 | 1250 |
| ZK80-45/32M-U | 15 | Y160L-4 | 80 | 50 | 160 | 125 | 200 | 160 | 460 | 460 | 4-M16 | 4-M12 | 4-φ23 | 174.5 | 345 | 240 | 106 | 75 | 755 | 205 | 195 | 1155 | 1295 |
| ZK65-13/45M-U | 15 | Y160L-4 | 65 | 50 | 160 | 125 | 210 | 160 | 510 | 460 | 4-M16 | 4-M12 | 4-φ23 | 228 | 400 | 300 | 120 | 63 | 790 | 240 | 200 | 1230 | 1317 |
| ZK65-15/55M-U | 18.5 | Y180M-4 | 65 | 50 | 160 | 125 | 210 | 160 | 510 | 460 | 4-M16 | 4-M12 | 4-φ23 | 228 | 400 | 300 | 120 | 75 | 790 | 240 | 200 | 1230 | 1361 |
| ZK65-30/55M-U | 22 | Y180L-4 | 65 | 50 | 160 | 125 | 210 | 160 | 510 | 460 | 4-M16 | 4-M12 | 4-φ23 | 228 | 400 | 300 | 120 | 75 | 790 | 240 | 200 | 1230 | 1401 |
| ZK80-50/50M-U | 22 | Y180L-4 | 80 | 50 | 160 | 125 | 210 | 160 | 510 | 460 | 4-M16 | 4-M12 | 4-φ23 | 228 | 400 | 300 | 120 | 75 | 790 | 240 | 200 | 1230 | 1401 |