一、概述
HTB-ZX□/□-U系列耐腐蚀工程塑料自吸泵,为卧式单级单吸悬架式自吸泵;是在吸收国内外同类产品先进技术的基础上,采用独特的“虹吸+真空泵原理”精心设计而成;过流部件采用钢衬超高分子量聚乙烯整体模压制造,具有优异的耐腐和耐磨性,适用于输送清液或含有少量颗粒的腐蚀性介质。
该泵与其他自吸泵相比具有如下显著的优点:
★该泵采用了独特的“虹吸+真空泵原理”完成自吸过程,自吸性能优异,不需要配装缓冲阀和空气控制阀,不存在传统自吸泵的回流孔,因此,不会发生因回流孔赌塞而影响自吸性能的现象;真正实现“一次引流,终身自吸”。
★该泵采用卧式悬架后抽式结构,泵体由储液室、涡室、气水分离室三室构成一体,整体衬塑模压制造,具有结构新颖、紧凑,美观大方,维修方便,运行可靠,牢固耐用的特点。
★该泵同时采用了我公司新研发的Y4型集装式硬对硬机械密封,这种密封不仅密封更可靠、寿命更长,而且,由于它采用了集装密闭式冷却结构,所以,运行时不会象普通机封那样产生酸雾,保护了环境不受腐蚀。该泵尤其适用在有颗粒腐蚀性介质的工作岗位上。
★该泵可以配用液位控制装置,实现自动控制,无需专人操作,使用非常方便。
二、用途
该泵主要应用于各类化工、有色冶炼(金、银、铜、铝、锌、钴、镍等行业)、黑色金属(钢铁酸洗、锰业)、化纤、钛白、稀土、稀有金属、农药、磷复肥、柠檬酸、无机盐、造纸、脱硫环保、污水处理等行业。一般使用温度≤80℃,换用其他耐温材料,适用温度可达120℃,是输送清液或含有少量颗粒(含固量≤15%)的腐蚀性介质的设备,是替代长轴液下泵、潜水泵、潜污泵等理想的设备。
三、型号说明 
四、性能参数
| 参数 型号 | 叶轮规格 | 额定转速2900转/分 | 进口× 出口 mm | 整机 重量 kg | |||||
| 流量 m3/h | 扬程 m | 配套 功率 kW | 自吸 高度 m | 自吸 时间 s/m | 汽蚀 余量 m | ||||
| HTB-ZX4.0/20-U | 标准 | 5 | 24 | 3 | 4 | 50 | 4 | 40×40 | 120 |
| 10 | 20 | ||||||||
| 15 | 16 | ||||||||
| HTB-ZX5.0/32-U | 标准 | 20 | 33 | 7.5 | 4 | 50 | 4 | 50×50 | 200 |
| 25 | 32 | ||||||||
| 30 | 28 | ||||||||
| A | 20 | 30 | 5.5 | ||||||
| B | 25 | 25 | 5.5 | ||||||
| C | 23 | 20 | 5.5 | ||||||
| HTB-ZX6.5/50-U | 标准 | 25 | 52 | 15 | 4 | 50 | 4.5 | 65×65 | 330 |
| 30 | 50 | ||||||||
| 40 | 45 | ||||||||
| HTB-ZX8.0/30-U | 标准 | 30 | 33 | 11 | 4 | 50 | 4.5 | 80×80 | 330 |
| 40 | 30 | ||||||||
| 50 | 28 | ||||||||
| HTB-ZX10.0/35-U | 标准 | 50 | 37 | 18.5 | 4 | 50 | 4.5 | 100×100 | 400 |
| 60 | 35 | ||||||||
| 70 | 31 | ||||||||
| HTB-ZX10.0/50-U | 标准 | 80 | 52 | 37 | 4 | 50 | 5 | 100×100 | 500 |
| 100 | 50 | ||||||||
| 120 | 47 | ||||||||
| A | 80 | 42 | 30 | ||||||
| 100 | 40 | ||||||||
| 120 | 38 | ||||||||
五、密封形式

六、结构说明
.png)
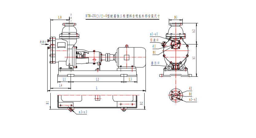
七、外形及安装尺寸

HTB-ZX□/□-U型耐腐蚀工程塑料自吸泵外形安装尺寸
| 型号 | 功率 KW | 配套 电机 | 安装外形尺寸 | |||||||||||||||||
| d1 | d2 | D1 | D2 | D3 | B1 | B2 | n1-n1 | n2-n2 | n3-n3 | h1 | h2 | L0 | L1 | L2 | L3 | L4 | L | |||
| HTB-ZX4.0/20-U | 3 | Y100L-2 | 40 | 40 | 110 | 110 | 150 | 280 | 280 | 4-M16 | 4-M16 | 4-φ20 | 352 | 244 | 197 | 155 | 490 | 155 | 227 | 989 |
| HTB-ZX5.0/32-U | 7.5 | Y132S2-2 | 50 | 50 | 125 | 125 | 165 | 340 | 340 | 4-M16 | 4-M16 | 4-φ20 | 392 | 258 | 231 | 160 | 645 | 160 | 250 | 1196 |
| HTB-ZX6.5/50-U | 15 | Y160M2-2 | 65 | 65 | 145 | 145 | 185 | 420 | 420 | 4-M16 | 4-M16 | 4-φ23 | 500 | 340 | 243 | 210 | 815 | 210 | 270 | 1409 |
| HTB-ZX8.0/30-U | 11 | Y160M1-2 | 80 | 80 | 160 | 160 | 200 | 420 | 420 | 8-M16 | 8-M16 | 4-φ23 | 490 | 380 | 243 | 210 | 815 | 210 | 270 | 1409 |
| HTB-ZX10.0/35-U | 18.5 | Y160L-2 | 100 | 100 | 180 | 180 | 220 | 460 | 460 | 8-M16 | 8-M16 | 4-φ23 | 530 | 410 | 277 | 210 | 845 | 210 | 277 | 1509 |
| HTB-ZX10.0/50-U | 37 | Y200L2-2 | 100 | 100 | 180 | 180 | 220 | 480 | 480 | 8-M16 | 8-M16 | 4-φ23 | 530 | 482 | 390 | 245 | 855 | 245 | 422 | 1719 |
八、使用说明
㈠搬运和安装:
1、搬运时应以泵底座为起重着力部位,避免震动、撞击。
2、基础应坚固平整,泵进口应低于液源面,并尽量靠近液源。
3、泵的进液管底部必须装有过滤面积大于管路截面积3~4倍的滤网,以防大颗粒或杂物进入泵体后损坏叶轮或影响泵的工作;进液管管径不得大于规定要求,进液管尽量少装弯头,一般不超过2只弯头,且进液管总长不大于6m,在满足要求的情况下尽可能短一些。
4、泵的出液管路一般不装止回阀,如有则必须止回阀下端设置放气孔,但出液管路中必须装有调节流量的阀门,防止超流量后使泵无法工作,并应安装一段大于1m的直管,严禁直接安装弯管;出液管管径不得小于规定要求,在可能的情况下尽可能大一些,出液管总长必须大于进液管总长的1.5倍,在可能的情况下尽量长一些。
5、当自吸泵用在输送比重大、扬程高和出液管路系统内水柱静止压力大的岗位时,为了加快自吸速度,缩短自吸时间,同时,为防止因停机后的过大压力损坏机封,泵出口除了要装流量调节阀外,还应在流量调节阀上部1m高度以上同时装止回阀和止回阀下端通料池的回流管,回流管上装控制阀门,泵启动前同时打开回流管上的控制阀,待回流管正常出液后,再关闭回流管上的控制阀。
6、泵的进液和出液管路应有各自的支架,不允许管路的重量直接由泵来承受,以免把泵压坏。
7、在安装时,切勿使螺钉、螺母、垫圈、焊渣等杂物落在管路或泵内,以免发生故障;进出液管道连接的各部位必须保证不漏气,否则会影响自吸功能和泵的正常工作。
8、给泵的轴承座内注入20#润滑油,至油标的水平中心位置,以免轴承过热。
㈡使用方法:
1、启动:
①泵安装完,先用手盘动联轴器,应感觉轻松且轻重均匀,并注意泵内有无磨擦声和异物滚动等杂音。如有,应设法排除,并将联轴器的防护罩安装好。
②接好电源,必须先接通并打开机封冷却水,水压不超过0.1MPa,再用点动方式检查泵转动是否正常,检查电机转向是否与泵转向标志一致,切勿反转。
③旋开引液口的螺塞,并从引液口注水,输送浓硫酸时禁止用水作引流,以防造成人身和设备事故,加满水后,将引液口的螺塞旋紧。
④打开进口阀。
⑤将出口阀门打开三分之一左右(必须开阀启动,否则自吸泵无法排气,出口有回流管时,要同时打开回流管上的控制阀),即可启动自吸泵,然后慢慢调节出口阀门,使泵在规定的流量范围工作。
⑥在规定的自吸高度范围内,自吸泵启动后,如果5~8分钟还没有出水,应立即停机检查原因,以防泵腔内介质升温,损坏泵机。
2、运转:
①要经常检查机封冷却水是否断流,若断流必须停机。
②要经常检查泵和电动机的温升情况,轴承的温升不应大于室温的50℃,其极限温度不应大于80℃。
③注意轴承座内油位的变化,经常控制在规定范围内,为保持油的清洁和良好的润滑,应定期更换润滑油。第一次换油300小时,以后每3000小时更换一次。
④在运转过程中,发现有不正常的声音或其它故障时,应立即停泵检查,待排除故障后才能继续运转。
⑤绝不允许用吸入管路上的阀门来调节流量,以免产生汽蚀。
3、停泵:
①关闭出口阀,再停止电动机运转。
②关闭进口阀。
③停止供应机封冷却水。
④寒冷地区,在环境温度低于0℃时,停泵后应放净泵内液体,以防冰冻;当输送快速凝固的液体或易结晶沉淀的砂浆时,停泵后也应将泵内液体放净,以免下次启动时发生故障。放空后的自吸泵必须重新从引液口向泵腔内注满水后才能再次启动。
4、用户可以给自吸泵配用最低液位传感器和最高液位传感器实现自动控制,即高液位时自动开机,低液位时自动关机,如此反复,无需专人看管,此时,机封冷却水管路必须配压力继电器,与泵联动。
㈢维护须知:
1、输液时,流量、扬程和自吸高度必须控制在规定范围之内,不能相差太大,否则会使储液室产生吸空现象,使泵不能正常工作。
2、自吸泵工作时不允许产生吸空现象,一旦产生吸空,必须重新从引液口向泵腔内注满水后才能自吸。因此,用户必须装有控制最低液位的装置或派专人看管。
3、该自吸泵不能输送会产生大量气泡的介质和气液混合的介质。
4、在输送易结晶的介质时,停机后,须从排污口放空泵腔内的介质,并冲洗泵腔,不得残留结晶介质,防止泵再次启动时造成损坏,再次使用时,必须重新从引液口向泵腔内注满水后才能再次启动。
5、在输送一般无结晶介质时,若长时间停泵不用,再次使用前,要检查泵腔内的液体是否充足,如不足(旋开引液口螺塞,引液口没有介质流出)时,要补足才能自吸。
㈣使用集装式硬对硬机械密封注意事项:
1、集装式硬对硬机械密封可适用于有少量悬浮颗粒的介质,该机械密封的动环和静环均为碳化硅陶瓷,因此,一定要保持冷却水畅通,切不可断水,还要防止冷热急变使碳化硅陶瓷开裂。
2、拆卸机械密封时应仔细,不允许用手锤、铁器等敲击,以免破坏动、静环密封面。安装时应检查所有密封元件有无损坏,如有,应修复或更换。
3、装配中要注意消除偏差,紧固螺钉时应均匀紧固,避免发生偏斜,使密封失效。
4、正确调整弹簧的压缩量,以轴封处不泄漏为宜。切勿弹簧压缩量过大,以免动、静环烧损。
㈤拆卸与组装:
1、拆卸:(该泵为后抽式结构,如前盖和泵体不维修,泵体和进出液管路不用拆,只要将电机地脚螺栓拆掉后移动一下位置,把泵盖与泵体的连接螺栓拆下,将叶轮、泵盖、主轴、轴承座等一起抽出即可检修。)
a)、检查并关闭泵出口阀,旋下泵体下方排污口的螺塞,排净泵内液体。
b)、松开轴承座下方的放油螺栓,排净轴承座内的润滑油。
c)、拆下联轴器防护罩,拆下机封冷却水进出水管。
d)、固定联轴器,按叶轮旋转方向转动拆下轴螺母和叶轮锁紧螺母,将叶轮拆下,同时拆下动环组件。
e)、再拆下泵盖与轴承座的连接螺栓,将泵盖连机封一起拆下后,将机封拆下。
f)、用液压拉马或其他卸工具把主轴上的联轴器拆下。
g)、拆下轴承座上的前后轴承压盖,拆出主轴、轴承。
h)、清洗所有零部件,并检查易损件,视况检修或更换,重新装配时,所有密封O型圈和各种密封垫床应全部更换。
2、组装:
a)、将零部件清洗、擦净,如有开裂、磨损、硬化变形,则应更换新的。
b)、按泵拆卸的相反顺序进行组装,Y4型机封的两个冷却水接管应朝上安装。
c)、装机封时,动、静环的抛光密封面时要涂上少量黄油,冷却罩压盖先不要压紧,等整机装好后再调整压紧。
c)、所有密封O型圈和各种密封垫床应各就各位,不能装错,不能落下。
d)、特别注意在安装泵的前盖时,应将前盖拍门的凸面朝着泵腔,并将拍门对准进液口中心。
㈥可能发生的故障及消除方法:
| 故障 | 原因 | 消除方法 |
| 打不出液体 | 1、电机转向不对 | 1、更换转向 |
| 2、引流量不足 | 2、重新灌满液 | |
| 3、吸上高度过高或液位太低 | 3、降低泵位,高液位时再启动泵 | |
| 4、吸入管路有杂物阻塞 | 4、清除堵塞物 | |
| 5、吸入管浸入深度不够或漏气 | 5、增大浸入深度或检修吸液端各密封 | |
| 6、前盖拍门或机封损坏 | 6、更换或检修 | |
| 流量不足 | 1、叶轮腐蚀或磨损严重 | 1、更换叶轮 |
| 2、转速不足 | 2、提高转速 | |
| 3、吸液端有点漏气影响真空度 | 3、检修吸液端各密封 | |
| 4、压出口部分堵塞 | 4、清除淤塞部分 | |
| 扬程不足 | 1、叶轮腐蚀或磨损严重 | 1、更换叶轮 |
| 2、转速不足 | 2、提高转速 | |
| 3、吸液端有点漏气影响真空度 | 3、检修吸液端各密封 | |
| 4、输送的液体中含有气体 | 4、降低液体温度排除气体 | |
| 功率过载 | 1、流量超过使用范围 | 1、按泵的使用范围进行运转 |
| 2、介质比重过大 | 2、更换较大功率电机 | |
| 3、产生机械磨擦 | 3、检查磨擦处,调整或更换磨损零件 | |
| 轴承发热 | 1、泵轴与电机轴不同心 | 1、调整同心 |
| 2、轴承座内缺油或油变质 | 2、加油或换油 | |
| 杂音或振动 | 1、泵轴与电机轴不同心 | 1、调整同心 |
| 2、输送的液体中含有气体 | 2、降低液体温度排除气体 | |
| 3、转子不平衡 | 3、更换零件 | |
| 4、螺母有松动现象 | 4、拧紧各部位螺母 | |
| 5、压出口部分堵塞 | 5、清除淤塞部分 | |
| 6、轴承损坏 | 6、更换轴承 | |
| 机封冷却水 | 1、机封损坏 | 1、更换或检修机封 |
| 浑浊 | 2、机封冷却罩压盖未压紧 | 2、将机封压盖调整到合适压紧度 |