一、产品简介
HTB--水环式耐酸陶瓷真空泵,泵体内与液环和气体接触部分用工程陶瓷及多种非金属材质优化组合制造,适用于抽送腐蚀性气体。泵内形成工作水环的介质,可用不含悬浮颗粒的清水,也可用与被抽送的气体不起化学反应的各种不含悬浮颗粒或结晶的有机或无机酸液(氢氟酸与热浓碱除外)。
二、性能简述
采用单作用和双作用径向吸排气两种结构,气量大、效率高、运转平稳,轴封选用机械密封,严密可靠。真空度:-86~-93kPa ;排气量:3~30m3/min
三、使用范围
水环式耐酸陶瓷真空泵是造纸、农药、化肥、有色冶金及化工等行业用作真空脱水、真空干燥,真空过滤和压送空气的理想产品。由于水环泵是等温压缩,适用于抽送易燃易爆气体。可广泛应用于石油、化工及其它工业抽送各种腐蚀性气体,也可用于低压力情况下的压缩。
四、型号说明

五 、详细参数
表中所列性能参数为下列标准条件下的性能:
1、大气压;101.33KPa;
2、吸入气体的温度20℃,相对湿度70%的空气;
3、出口水温:15℃
|
结构型式 |
型号 |
气量 |
真空度 |
耗水量 |
电机功率 |
转速 |
电机型号 |
|
轴向 |
SZ-70 |
0 |
-89.4 |
30 |
7.5 |
1450 |
Y132M-4 |
|
1 |
-80 |
||||||
|
2 |
-60 |
||||||
|
3 |
-30 |
||||||
|
SZ-125 |
0 |
-93 |
70 |
18.5 |
980 |
Y200L1-6 |
|
|
6.5 |
-80 |
||||||
|
9 |
-70 |
||||||
|
7.5 |
-30 |
||||||
|
轴向 |
SK-80 |
0 |
-89 |
35 |
15 |
1450 |
Y160L-4 |
|
1 |
-80 |
||||||
|
4 |
-60 |
||||||
|
6 |
0 |
||||||
|
SK-150 |
0 |
-89 |
80 |
45 |
980 |
Y280S-6 |
|
|
4.5 |
-80 |
||||||
|
15 |
-60 |
||||||
|
20 |
-30 |
||||||
|
SK-150-M |
0 |
-89 |
75 |
30 |
730 |
Y250M-8 |
|
|
1 |
-80 |
||||||
|
5 |
-60 |
||||||
|
15 |
0 |
||||||
|
SK-200 |
0 |
-86 |
90 |
55 |
740 |
Y315S-8 |
|
|
5 |
-80 |
||||||
|
20 |
-60 |
||||||
|
30 |
0 |
六、结构型式
.png)
.png)
.png)
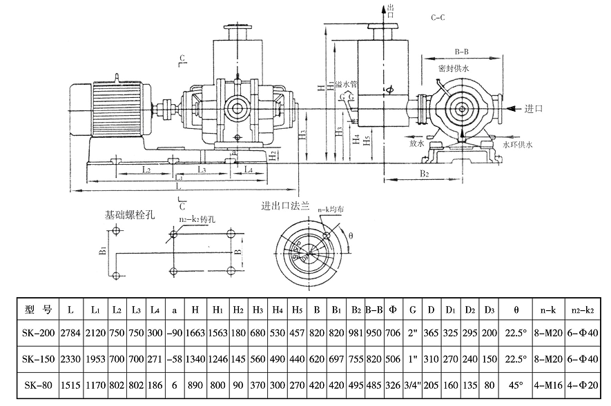
七、泵外形及安装尺寸
HTB-SZ-70水环式真空泵外形及安装图
.png)
HTB-SZ-70水环式真空泵安装外形尺寸表
|
型号/尺寸 |
L1 |
L2 |
L3 |
L4 |
L5 |
L6 |
A |
B |
C |
H |
E |
F |
h |
θ |
n孔φd |
n孔φd |
D |
D1 |
D2 |
D3 |
|
SZ-70 |
186 |
373 |
373 |
188 |
405 |
465 |
515 |
780 |
80 |
495 |
321 |
175 |
25 |
45° |
6孔φ23 |
(4-M16) |
70 |
150 |
185 |
115 |
HTB-SZ-125水环式真空泵外形及安装尺寸图
HTB-SK型水环式真空泵外形及安装图
.png)