一、产品简介
HTB-Y系列耐腐耐磨液下泵,其过流部件采用性能优异的超高分子量聚乙烯(UHMWPE)整体模压而成,该材质被称为国际上新颖的泵用耐腐耐磨工程塑料,特出的优点是:在所有工程塑料中,它具有优异的耐磨性、耐冲击性、抗蠕变性,同时还具有非常的耐腐蚀性能,适用于输送-20~90℃范围内的酸性、碱性料浆和酸性、碱性清液。
该系列泵批量生产十多年来,经600多家用户,2000多个岗位的使用,其耐温性、防腐性、机械稳定性、耐磨性以及运行费用的经济性都得到了用户的认可,因此该产品是一个性能稳定的、技术成熟的、用户欢迎的、定型的防腐型泵类产品,是稀贵金属泵的理想替代产品。
二、使用范围
●有色金属湿法冶炼业:→适用于铅、锌、金、银、铜、锰、钴、稀土等湿法冶炼中的各种酸液、碱液、腐蚀性矿浆、电解液、废酸、污水等介质的输送。
●硫酸磷肥业:稀酸、母液、含硅胶的氟硅酸、磷酸料浆等介质的输送。
●水处理环保业:可输送各种带杂质的污水。
●农药、染料、精细化工业:可输送含溶剂的酸、碱液体、混合酸,还可输送含溶济的料浆及含溶剂的酸、碱性料浆。
●广泛用于冶金、化工、石油、合成纤维、污水处理等工业部门,用来输送各种腐蚀性液体或含有不同颗粒的腐蚀性介质。
三、型号说明

四、结构型式

五、详细参数
|
参数 \ 型号 |
叶轮规格 |
额定转速2900转/分 |
额定转速1450转/分 |
重量 |
||||
|
流量Q |
扬程H |
电机功率N |
流量Q |
扬程H |
电机功率N |
|||
|
Y50-32-125 |
标 |
8 |
22 |
3 |
||||
|
12.5 |
20 |
|||||||
|
16 |
16 |
|||||||
|
A |
5 |
15 |
2.2 |
|||||
|
9 |
12 |
|||||||
|
12 |
8 |
|||||||
|
Y50-32-160 |
标 |
8 |
33 |
5.5 |
||||
|
12.5 |
32 |
|||||||
|
16 |
29 |
|||||||
|
Y65-50-160 |
标 |
20 |
33.5 |
7.5 |
||||
|
25 |
32 |
|||||||
|
30 |
29 |
|||||||
|
A |
10 |
25 |
5.5 |
|||||
|
15 |
23.5 |
|||||||
|
20 |
21.5 |
|||||||
|
Y80-65-160 |
标 |
40 |
34 |
11 |
||||
|
50 |
32 |
|||||||
|
60 |
28.5 |
|||||||
|
Y65-40-200 |
标 |
15 |
51.5 |
15 |
||||
|
25 |
50 |
|||||||
|
30 |
46 |
|||||||
|
Y80-50-200 |
标 |
40 |
53 |
22 |
||||
|
50 |
50 |
|||||||
|
60 |
45 |
|||||||
|
Y100-80-160 |
100 |
32 |
22 |
|||||
|
Y150-125-315 |
标 |
130 |
35 |
45 |
||||
|
200 |
32 |
|||||||
|
240 |
28 |
|||||||
|
A |
85 |
28.5 |
30 |
|||||
|
120 |
26 |
|||||||
|
150 |
25 |
|||||||
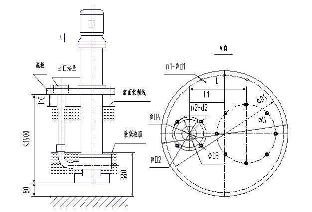
六、泵外形及安装尺寸
.png)
|
型号 |
L1 |
L |
底板 |
出口法兰 |
|||||
|
D |
D1 |
n1-φd1 |
D2 |
D3 |
D4 |
n2-d2 |
|||
|
YZ50-32-125 |
162 |
225 |
580 |
540 |
12-φ18 |
100 |
78 |
32 |
4-M12 |
|
YZ50-32-160 |
210 |
330 |
700 |
650 |
16-φ18 |
|
|
|
|
|
YZ65-50-160 |
200 |
320 |
|
|
|
125 |
105 |
50 |
4-M16 |
|
YZ65-40-200 |
220 |
340 |
110 |
85 |
40 |
4-M16 |
|||
|
YZ80-65-160 |
220 |
340 |
145 |
125 |
65 |
4-M16 |
|||
|
YZ80-50-200 |
220 |
340 |
125 |
105 |
50 |
4-M16 |
|||
|
YZ100-80-160 |
195 |
315 |
160 |
132 |
80 |
4-M16 |
|||
|
YZ150-125-315 |
310 |
525 |
|
|
|
240 |
210 |
125 |
8-M16 |
七、使用说明
a)搬运安装时,应以泵的轴承座为着力点,因支撑管材质为玻璃,严禁以支撑管为支点吊装。
b)液下泵的主轴是细长轴结构,长途运输过程中有可能发生轻微的弯曲变形(盘动联轴器时感觉松紧不匀),安装完毕后不要立即开机,可放置24小时,使其恢复正常,然后再试车。
c)泵应该垂直安装,不允许有明显的倾斜。一般情况下底板应用水平仪校准,此点对液下泵尤为重要。
d)出口应安装一段直管,严禁直接安装弯管;并安装流量调节阀,使泵在规定的流量下工作。
e)首次开车要注意转向,从电机泵壳(从上向下),转向为顺时针旋转,严禁反转。
f)开车前,检查轴承处,使之保持有足够的润滑脂,以免轴承过热。泵运转时注意轴承座定期加油,轴承温升不应大于50度,其极限温度不能超过80度。
g)泵运转时有轻微振动属正常现象。但为减轻振动,在保持安装基础水平的情况下,尽可能使基础具有良好的吸振性。
h)调节出口阀门,使泵尽量在额定工况条件下工作,不允许长期在很小或很大流量下使用,以免影响泵的寿命。
i)开车后应注意电机的三相电流,不得超过额定值,并作出记录,作为以后开车的判断依据。
j)泵启动时,液位不能低于启动液位。
k)泵在工作时有时会从支撑管下部的圆孔中喷出液体,这是正常的,特别是在小流量时喷出的液体会更多更急。
l)应经常检查滤罩是否通畅,不允许颗粒堵塞吸入网孔。
m)停泵时应先关闭出口阀门,再停电机。