一、概述
HTF耐腐蚀风机是单级单吸离心式风机,适用于石化工业及其他工 业生产中输送或抽吸各种腐蚀性气体。风机内部与腐蚀性气体所接触的零部件, 都合理地使用各种耐腐蚀性很强的材料制成,如风机壳体及风机盖用钢铁内衬 塑料,叶轮的材质采用玻璃钢,可作高速运转,使风机体积小而功能高。
HTF耐腐蚀风机用三角皮带传动,可以调换皮带轮大小,改变风机 转速,从而达到实际使用需要的风量、风压。
风量:1500~4000m3/h
风压:360~2000Pa
二、用途
该产品适用于输送或抽取各种腐蚀性气体。
三、型号说明

四、详细参数
|
转速 |
序号 |
静压 |
风量 |
配套电机功率 |
重量(不连电机) |
|
2500 |
1 |
55 |
3800 |
5.5 |
250 |
|
2 |
80 |
3400 |
|||
|
3 |
100 |
3100 |
|||
|
4 |
110 |
2850 |
|||
|
5 |
120 |
2600 |
4.0 |
||
|
6 |
130 |
2350 |
|||
|
7 |
140 |
2050 |
|||
|
8 |
155 |
1550 |
|||
|
2000 |
1 |
25 |
3400 |
3.0 |
|
|
2 |
40 |
2950 |
|||
|
3 |
55 |
2700 |
|||
|
4 |
65 |
2500 |
|||
|
5 |
75 |
2250 |
|||
|
6 |
85 |
1950 |
|||
|
7 |
95 |
1500 |
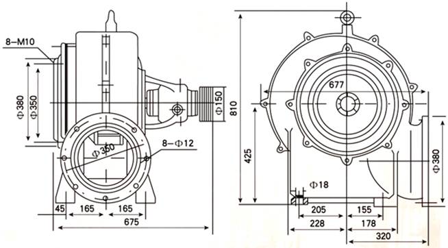
五、外形及安装尺寸
